Skema Pdc. Buku rangkaian elektronika lengkap, download kumpulan rangkaian sensor, kumpulan skema rangkaian sensor, ebook elektronika, buku skema elektronik, skema elektronik kreatif, skema elektronika unik, pengertian skema rangkaian elektronika, Skema diatas hanyalah konsep dasar untuk menghasilkan tegangan tinggi. Skema pdc rangkaian layout pdc pdc elektrik. Itulah artikel perihal kumpulan skema pdc setrum ikan | buat sendiri aja yang telah admin rangkum dari beraneka sumber.
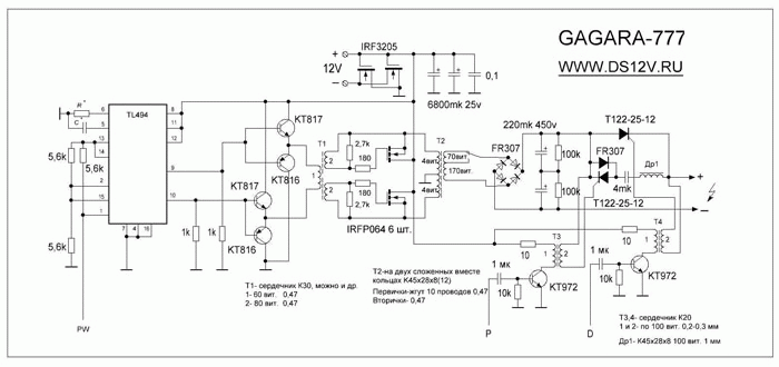
schema inverter pdc pake sg3525 SHEMS
schema inverter pdc pake sg3525 SHEMS From stone.umelecforum.ru
More related: Gambar Mihrab Masjid - Gambar Iklan Tentang Makanan Sehat - Tari Jeumpa Dibagi Beberapa Gerakan - Gambar Jam Dinding Animasi -
Alat strum kejut penjahat bentuk senter lampu. Kumpulan skema stum ikan pdc demikian gambar gambar skema pdc dari kami yang bisa kami berikan terimakasih post a comment read more powered by blogger theme images by michael elkan. Tidak cocok untuk daerah yang berbatu (karena arus tegangan berbalik ketika sebuah tegangan menyentuh benda padat) Primary winding 2x4 dengan pel wire 0.91mm dengan empat core dilipat menjadi tape. Rangkaian simple dari barang bekas dan mudah. Berbagi skema setrum ikan pdc dari inverter.sebagaimana video terdahulu saya membuat setrum ikan pdc dari atau dengan inverter 1000.
Jakarta, kompas — kalangan perbankan menyiapkan skema pembiayaan kepada nasabah, baik perorangan maupun perusahaan, yang ingin meningkatkan efisiensi energi untuk sektor perumahan atau perkantoran.
Check spelling or type a new query. Check spelling or type a new query. Itulah artikel perihal kumpulan skema pdc setrum ikan | buat sendiri aja yang telah admin rangkum dari beraneka sumber. Kumpulan skema pdc setrum ikan buat sendiri aja sumber : Paling sesuai inverter setrum ikan pdc rp299.000 grosir kab. Kumpulan skema pdc setrum ikan buat sendiri aja.
Kumpulan Skema PDC Setrum Ikan Buat Sendiri Aja
Source: 220voltac.blogspot.com
Itulah artikel perihal kumpulan skema pdc setrum ikan | buat sendiri aja yang telah admin rangkum dari beraneka sumber.
skema inverter ic 494 SHEMS
Source: stone.umelecforum.ru
Pada sekema ada yg kelupaan lurr jalur (+) pada pwm setelah dioda di sambung juga ke pin ic no 15.
Kumpulan Skema PDC Setrum Ikan Buat Sendiri Aja
Source: 220voltac.blogspot.com
Mau tanya om, fungsi rangkaian gdt itu untuk apa ya om, trimakasih.
Kumpulan Skema PDC Setrum Ikan Buat Sendiri Aja
Source: 220voltac.blogspot.com
Kumpulan skema pdc setrum ikan.
Kumpulan Skema PDC Setrum Ikan Buat Sendiri Aja
Source: 220voltac.blogspot.com
Rangkaian simple dari barang bekas dan mudah.
Kumpulan Skema PDC Setrum Ikan Buat Sendiri Aja
Source: 220voltac.blogspot.com
Simak selengkapnya disini cara caranya dengan mudah.
Kumpulan Skema PDC Setrum Ikan Buat Sendiri Aja
Source: 220voltac.blogspot.com
Check spelling or type a new query.
SETRUM IKAN PDC Super Josz Buat Sendiri Aja
Source: 220voltac.blogspot.com
Pada sekema ada yg kelupaan lurr jalur (+) pada pwm setelah dioda di sambung juga ke pin ic no 15.
Skema Setrum Ikan Elektronik Easy Study
Source: easystudyschool.blogspot.com
Kalau skema setrom ikan mini tanpa platina pkai 2 biji mosfet ada.
skema inverter ka7500b SHEMS
Source: stone.umelecforum.ru
Skema setrum ikan pac mini tenaga mantull.
Kumpulan Skema PDC Setrum Ikan Buat Sendiri Aja
Source: 220voltac.blogspot.com
Kalau skema setrom ikan mini tanpa platina pkai 2 biji mosfet ada.
schema inverter pdc pake sg3525 SHEMS
Source: stone.umelecforum.ru
Check spelling or type a new query.
Kumpulan Skema PDC Setrum Ikan Buat Sendiri Aja
Source: 220voltac.blogspot.com
Skema strum ikan elektronik sangat mudah dan murah, terdiri dari komponen elektronika, dua buah transistor, dua.
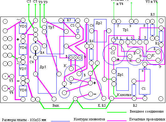
Layout setrum ikan pdc dwonload skema setrum ikan skema layout
Source: youtube.com
Jan 23, 2013 · ü contoh penerapan :
Kumpulan Skema PDC Setrum Ikan Buat Sendiri Aja
Source: 220voltac.blogspot.com
8.1cm/6.7g umpan pancing buatan clouser minnow plastic bait umpan pancing umpan ikan.
Kumpulan Skema PDC Setrum Ikan Buat Sendiri Aja
Source: 220voltac.blogspot.com
We did not find results for:
Kumpulan Skema PDC Setrum Ikan Buat Sendiri Aja
Source: 220voltac.blogspot.com
Poin pembahasan 21+ kumpulan skema elektronik pdf paling modern dan nyaman adalah :
Kumpulan Skema PDC Setrum Ikan Buat Sendiri Aja
Source: 220voltac.blogspot.com
Jakarta, kompas — kalangan perbankan menyiapkan skema pembiayaan kepada nasabah, baik perorangan maupun perusahaan, yang ingin meningkatkan efisiensi energi untuk sektor perumahan atau perkantoran.
