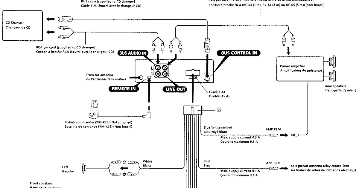
Skema Jalur Kabel Tape Mobil. Video tutorial sederhana bagaimana cara menyalakan atau pasang tape mobil (head unit) di rumah. Giri wahyu pambudi desember 13, 2016 otomotif 86,252 views. Cara memasang kiprok vespa super px youtube. Jalur ground biasanya memiliki warna kabel berwarna hitam atau menggunakan bodi mobil sebagai kontaknya.
Skema Jalur Kabel Tape Mobil / Apa Fungsi Kabel Remote Pada Power Audio
Skema Jalur Kabel Tape Mobil / Apa Fungsi Kabel Remote Pada Power Audio From asicskinsei3fast.blogspot.com
More related: Contoh Penutup Surat Lamaran Pekerjaan - Temas Para Samsung Galaxy Grand Prime - Mentahan Logo Makanan - Standing Banner Wisuda -
View 24+ wiring diagram skema kabel tape mobil jvc. Jalur listrik +12v langsung dari aki jalur ini biasanya memiliki warna kabel otomotif mobil berwarna kuning. Seringnya selalu saja ada sesuatu hal yang ingin kita ubah supaya kondisinya lebih membuat kita nyaman. Silakan baca semua petunjuk dengan saksama. Download kumpulan wiring kelistrikan avanza xenia. Kode warna kabel audio atau tape mobil.
Cara memasang kabel tape mobil sendiri obeng plus dibutuhkan untuk mempermudah dalam memasang atau melepaskan baut dan skrup yang berbentuk seperti kembang 4 sisi.
Jangan lupa bahwa selama proses ini, kunci kontak jangan sampai ada yang menyala. Jangan lupa bahwa selama proses ini, kunci kontak jangan sampai ada yang menyala. Double din jec tape mobil tv mobil headunit bluetooth: Kode warna kabel audio mobil berguna untuk menghindari kesalahan pemasangan. Sesuaikan spesifikasi power dengan perangkat audio tambahan yang akan dipasang. Unik soket power head unit single din.
Pasang Mp3 Player Module pada Speaker Aktif atau Tape Compo Pasang Kabel
Source: pasangkabelnya.blogspot.com
Dengan komposisi sebagai berikut :
Skema Kabel Tape Mobil Avanza Dunia Otomotif 2020
Source: motolovermodif.blogspot.com
Toyota starting atau diagram kelistrikan sistem starter mobil 2.
Skema Kabel Tape Mobil Toyota Avanza / Diagram Wiring Diagram Tape
Source: wallpaperhd90.blogspot.com
Jangan lupa bahwa selama proses ini, kunci kontak jangan sampai ada yang menyala.
Skema Kabel Tape Mobil Avanza Pecinta Dunia Otomotif
Source: otolovermodif.blogspot.com
Kabel putih dan putih strip hitam ini untuk kabel yang terhubung dengan speker depan posisi kiri.
Skema Kabel Tape Mobil Avanza Pecinta Dunia Otomotif
Source: otolovermodif.blogspot.com
Pilih kabel yang tepat otomotif amp robotik.
Skema Rangkaian
Source: extrahotspot.blogspot.com
Semoga bermanfaat untuk anda yang memerlukan beberapa skema rangkaian kelistrikan mobil yang ada di bawah ini.
Rangkaian Kabel Tape Mobil Kenwood kumpulan Diagram Rangkaian Kabel
Source: rangkaiankabel.com
Cara menambahkan jalur aux input pada tape mobil mercy s280 w220 part 1.
Download Gambar Skema Audio Mobil RIchi Mobil
Source: richimobil.blogspot.com
Dengan komposisi sebagai berikut :
Download Gambar Skema Audio Mobil RIchi Mobil
Source: richimobil.blogspot.com
Cara pasang power audio mobil 4 channel yang baik benar.
Download Gambar Skema Audio Mobil RIchi Mobil
Source: richimobil.blogspot.com
Assalamua’alaikum wr wb, terima kasih atas kunjunganya sobat cronyos.com, kali ini saya akan membagikan file file pdf yang berisi kumpulan wiring diagram klistrikan avanza maupun xenia, silahkan di download :
Skema Kabel Tape Mobil Toyota Avanza / Diagram Wiring Diagram Tape
Source: wallpaperhd90.blogspot.com
Langkah pertama, pastikan jarak antar kabel penghubung banyak.
Rangkaian Cdi Motor 2021 Aneka Sepeda Motor
Source: cashpoin.com
Cara pasang power audio mobil 4 channel yang baik benar.
Rangkaian Kabel Tape Mobil Kenwood kumpulan Diagram Rangkaian Kabel
Source: rangkaiankabel.com
Jalur kabel tape mobil, skema kabel tape mobil jvc kw r500, 71+ warna kabel tape mobil honda brio.
Skema Kabel Tape Mobil Avanza Dunia Otomotif 2020
Source: motolovermodif.blogspot.com
Jalur kabel power audio mobil.
Skema Jalur Kabel Tape Mobil Skema Kabel Tape Mobil Avanza Dunia
Source: redtablelamphelp.blogspot.com
Soket tape mobil jvc kwr500 socket kabel jvc kw r500 di tokopedia ∙ promo pengguna baru ∙ cicilan 0% ∙ kurir instan.
Rangkaian Kabel Tape Mobil Kenwood kumpulan Diagram Rangkaian Kabel
Source: rangkaiankabel.com
Cara memasang kabel tape mobil sendiri obeng plus dibutuhkan untuk mempermudah dalam memasang atau melepaskan baut dan skrup yang berbentuk seperti kembang 4 sisi.
Rangkaian Kabel Tape Mobil Kenwood kumpulan Diagram Rangkaian Kabel
Source: rangkaiankabel.com
Pastikan juga mesin dalam keadaan mati.
Skema Kabel Tape Mobil Toyota Fujitsu Ten Car Radio Stereo Audio
Source: oldgringovillasaveyoumoney.blogspot.com
Langkah pertama, pastikan jarak antar kabel penghubung banyak.
