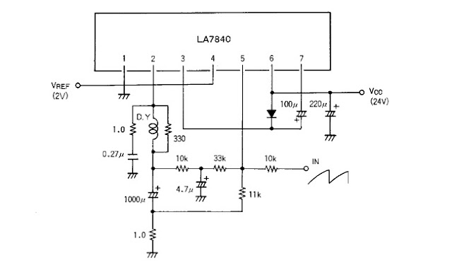
Data Pin Ic Vertikal La78040. Tentang tokopedia mitra tokopedia mulai berjualan promo tokopedia care. Dat pin protect tv panasonic. Agar jelas saya akan menunjukan data pin dari ic vertikal seri 7840, 7841 dan 78040, 78041 dan 78141. Ic vertikal tipe ini memiliki 7 buah pin yang tersusun secara paralel dengan bentuk kotak.
Persamaan Ic An15525 Soal Sekolah
Persamaan Ic An15525 Soal Sekolah From soalsekolahdoc.blogspot.com
More related: Foto Jimin Bts Cool - Nama Squad Ff - Motif Cat Tembok 3d Simple - Mod Truk Tawakal 5 -
Dimana berikut ini akan kami sajikan data pin kaki setiap ic vertikal. Pada beberapa merk tv banyak yang menggunakan ic vertikal dengan nomor seri la 78141, la 78041, la78040, la78045. Vertical deflection output circuit, la7840 datasheet, la7840 circuit, la7840 data sheet : Supply voltage for output [24volt] 4. Ground vertikal output output stage vcc biasanya mendapat tegangan dari dioda vcc non inverting input inverting input vcc pump up out. Ni ada tips persamaan ic vertikal catat ya stv9325 persamaanya stv9302a la78040 data pin:
(vertikal amp defleksi output) stv9302a ( 1.8a)= la78040 (1.8a)=stv9302b=an5522= stv9378 (1.8a) < tda9302h =la78045 (2.2a)=tda8178 (2a)=la78141=stv9379 (2.6a)=stv8172=stv9326=tda8172 (2.5a)
2 ( 1/1 page) manufacturer. Agar jelas saya akan menunjukan data pin dari ic vertikal seri 7840, 7841 dan 78040, 78041 dan 78141. Pin 7 = 27,6 volt ; Pin 1 = 3,6 volt; Berikut ini adalah datasheet dan data pin ic vertikal la78040. Jika kita mengetahui data pin nya.
kanjeng tronik audio video dll DATA PINOUT IC VERTIKAL
Source: service-elektronik-kanjeng.blogspot.com
Berikut ini adalah datasheet dan data pin ic vertikal la78040.
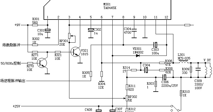
Schematic IC Vertikal TV Sharp TDA8357
Source: calaku.blogspot.com
Ada beberapa tipe ic yang sering digunakan pada rangkaian tv untuk bagian vertikal, diantaranya adalah tipe la78040.
 Source: guesssalewallets.blogspot.com
Tentang tokopedia mitra tokopedia mulai berjualan promo tokopedia care.
Data Pin Ic Tda11135ps N3 3 Terkait Data
Source: terkaitdata.blogspot.com
Tentang tokopedia mitra tokopedia mulai berjualan promo tokopedia care.
pin out ic Vertikal LA78040 DAN PERSAMAAN Arjun Service
Source: arjun-service.blogspot.com
Vertical deflection output circuit, la7840 datasheet, la7840 circuit, la7840 data sheet :
ELECTRONICS TRICKS AND TIPS LA 7840 COLOUR TV VERTICAL IC DATA SHEET
Source: electronicstrick.blogspot.com
19 rows search partnumber :
Persamaan Ic An15525 Soal Sekolah
Source: soalsekolahdoc.blogspot.com
Adapun untuk data pin kaki setiap ic vertikal, silahkan simak ulasan di bawah ini.
Konsep 33+ Skema Tv Tcl Ic 8823
Source: skemainvertert.blogspot.com
Jika kita mengetahui data pin nya.
Persamaan Ic La78040 Pdf Journal
Source: pdfjournal.blogspot.com
La78040, la78141, utp78040, la78041(sanyo), stv9302(max35v), stv9325, tda9302(philips), an15525 (panasonic) an5525, an15526a, la78045 pinout invertin input vcc pump up out gnd ver.out output stage vcc non inv.input tweet
Schematic IC Vertikal TV Sharp TDA8357
Source: calaku.blogspot.com
Skema tv, dvd, audio car dll.
Data Pin Ic Tda11135ps N3 3 Terkait Data
Source: terkaitdata.blogspot.com
Berikut beberapa persamaan ic vertikal seri la 78141 yang bisa anda gunakan saat memperbaiki tv.
ELECTRONIC PART ELEMENT AND OTHER Vertical Amp. for CRT tv receiever
Source: elektronoc.blogspot.com
Pada beberapa merk tv banyak yang menggunakan ic vertikal dengan nomor seri la 78141, la 78041, la78040, la78045.
kanjeng tronik audio video dll DATA PINOUT IC VERTIKAL
Source: service-elektronik-kanjeng.blogspot.com
Akan mudah melakukan pelacakan komponen yang rusak.
kanjeng tronik audio video dll DATA PINOUT IC VERTIKAL
Source: service-elektronik-kanjeng.blogspot.com
2 ( 1/1 page) manufacturer.
pin out ic Vertikal LA78040 DAN PERSAMAAN Arjun Service
Source: arjun-service.blogspot.com
Sanyo, alldatasheet, datasheet, datasheet search site for electronic components and semiconductors, integrated circuits, diodes, triacs and other semiconductors.
masud electronic rantau Data persamaan ic vertikal
Source: masudelectronic.blogspot.com
Sanyo, alldatasheet, datasheet, datasheet search site for electronic components and semiconductors, integrated circuits, diodes, triacs and other semiconductors.
TDA8172 Datasheet PDF ST Microelectronics
Source: datasheetcafe.com
Data persamaan ic vertikal untuk mempermudah dalam perbaikan pada bagian blog vertikal pada tv crt berikut saya uraikan beberapa persamaan ic vertikal dan pin outputnya.
General 29FS22 шасси JM2999B нет +27V на КР
Source: monitor.espec.ws
Tv samsung flat biasa chasis s17a 7 bulan yang lalu anak rantau.
